全国服务热线
4000-1777-27发布时间:2025-12-01阅读:
近日,昊特建材凭借卓越的产品品质与环保性能,成功通过欧盟RoHS(有害物质限制)及REACH(化学品注册、评估、许可和限制)双项国际认证。这一里程碑标志着昊特建材在绿色环保领域再攀高峰,为全球客户提供更安全、更可持续的建材解决方案!
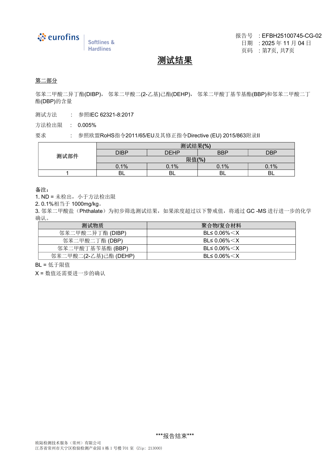
左右滑动查看RoHS报告图片
什么是RoHS和REACH

RoHS认证:
全称《关于限制在电子电气设备中使用某些有害成分的指令》,听起来好像只跟电子产品有关?错!建材行业同样适用。它严格限制铅、汞、镉等有害物质含量。昊特建材通过认证,证明产品从原材料到生产全流程均符合欧盟环保标准,杜绝有害物质风险。
REACH认证:
这是欧盟《化学品注册、评估、许可和限制》法规,要求企业对其生产或进口的化学品进行安全评估。涵盖化学品注册、评估、许可和限制,要求企业公开产品成分并确保其安全性。简单说就是,吴特建材的每款产品,都得经过"体检"才能上市。
左右滑动查看REACH报告图片
作为国内绿色建材领域的先行者,昊特建材始终将环保理念融入产品研发与生产,通过这2项认证,不仅标志着昊特建材产品符合欧盟最严苛的环保标准,同时获得欧盟及全球多数国家市场准入资格,助力昊特建材“走出去”战略。更意味着其已具备进入全球90%以上发达国家市场的“通行证”。

+
广州昊特建材有限公司旗下明治漆的经销商专卖店逐步进行全新升级,最近已经合作十年之久的广州增城明治漆安森材料装饰专卖店也进...

+
广州昊特建材有限公司旗下明治漆红色征途的招商队伍越来越庞大了。据了解,明治漆一直致力于更环保,更安全,更健康的涂料事业,...

+
近日,广东省市场监督管理局颁布了“广东省守合同重信用”企业名单,广州昊特建材有限公司从众多参评企业中脱颖而出,获得202...

+
每个孩子都喜欢打闹,喜欢乱涂乱画来表达出对世界的疑问,特别是本来漂亮的墙面,一天比一天多点新花样,真是让家长们彻底崩溃。...

+